İÇİNDEKİLER
- Giriş
- NPN Bağlantı Yapısı
- PNP Bağlantı Yapısı
-
- Giriş
Omron Q2A ve Q2V model invertörler D24V ve D0V terminalleri üzerinden dahili güç kaynağına sahiptir; bu güç kaynağı yerine harici bir güç kaynağı ya da plc’den pnp (+) veya npn (-) giriş seçenekleri ile bağlantı sağlanabilir. Bunun için herhangi bir DIP switch ayarına ihtiyaç yoktur. Bağlantı biçimini değiştirmek yeterlidir. - NPN Bağlantı Yapısı:
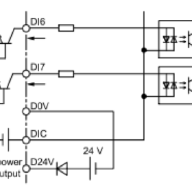
Normalde invertörlerin D24V ve DIC terminalleri hazır olarak kısa devre edilmiştir. Güç kaynağının (-) polaritesi bir kontak, plc çıkışı veya sensör (vs.) üzerinden dolaştırılarak çok fonksiyonlu dijital girişlere (MFDI) bağlanır.
- Giriş
NOT:D0V ve D24V terminalleri asla birbirine kablo ile bağlanmamalıdır.
İnvertörlerin dahili güç kaynağı ile NPN terminal bağlantısı:

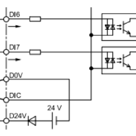
Harici güç kaynağı ile NPN terminal bağlantısı:
Harici güç kaynağı kullanmak için DIC ve D24V arasındaki köprü çıkartılır. Harici güç kaynağının (+)’sı DIC terminaline (-)’si dijital girişlere bağlanır.

- PNP Bağlantı Yapısı:
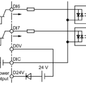
Dahili güç kaynağı ile PNP olarak kullanılmak istendiğinde DIC-D24V arasındaki kablo sökülerek D0V-DIC arasına bağlanır. Güç kaynağının (+) potansiyeli bir kontak, plc çıkışı veya sensör (vs.) üzerinden dolaştırılarak dijital girişlere bağlanarak devre tamamlanır
İnvertörlerin dahili güç kaynağı ile PNP terminal bağlantısı:

Harici güç kaynağı ile PNP terminal bağlantısı:
Harici güç kaynağı kullanmak için DIC ve D24V arasındaki köprü çıkartılır. Harici güç kaynağının (-)’si DIC terminaline, (+)’sı dijital girişlere bağlanır.

Source : Link
İlgili Ürünleri Ziyaret Etmek İçin mekatronikelektrik.com
Q2A Detaylı Bilgi için: mekatronikelektrik.com/q2a
Q2V Detaylı Bilgi için: mekatronikelektrik.com/q2v

